وحدة إدخال رقمية ثلاثية التكرار معززة (TMR) من Invensys Triconex 3503E



معلومات المنتج
تحميل
الخدمة
التصنيع: |
إنفينسيز تريكينوكس |
رقم الطراز: |
3503E |
الكتالوج: |
تريكينيكس |
الوزن: |
0.7kg |
البعد: |
0.45 * 1.02 * 1.19 (سم) |
معلومات الطلب: |
3503E |
منشأ المنتج: |
الولايات المتحدة الأمريكية |
الدفع: |
T/T |
الحالة: |
جديد تمامًا |
مهلة التسليم |
متوفر في المخزون |
رمز HS: |
8537101190 |
السعر: |
1000 دولار |
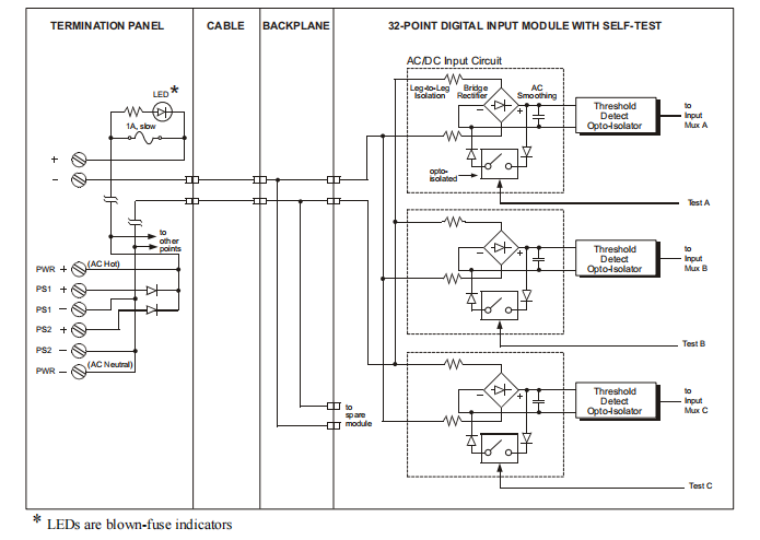
يحتوي جهاز Invensys Triconex 3503E على ثلاثة قنوات إدخال مستقلة مدمجة فيه. وعندما تصوت القنوات الثلاث، يتم إنشاء إخراج صالح فقط عندما تكون قراءات قناتين على الأقل متسقة.

طرق الدفع

الشحن والتوصيل

ضمان لمدة سنة واحدة
اترك رسالة
إذا كنت تريد معرفة تفاصيل السعر والمزيد من تفاصيل المنتج، يمكنك ترك رسالة في أي وقت.
منتج ساخن
شريك









معلومات عنا
شركة سومسيت للتجارة الدولية المحدودة
نحن موردون لقطع غيار ومكونات الأتمتة من علامات تجارية موثوقة ومعروفة. نحن نوفر بشكل رئيسي وحدات PLC، بطاقات تحكم DCS، بطاقات تحكم ESD، مراقبات التوربينات، مراقبة الاهتزاز وأنظمة حماية الأصول.
العنوان:
الغرفة 1904، المبنى ب، دايموند كوست، رقم 96 طريق لوجيانغ، منطقة سيمينغ، شيامن، الصين